Commutatore bipolare CHINT 1-0-2 2M 32A 230V NZK1-32/2 643001
Numero di Poli: 2P
Corrente nominale In: 32 A
Tensione nominale Vn: 230 Vac
Contatti di segnalazione: 2x(NA-C-NC)
Posizioni: 1-0-2
Numero Moduli DIN (1 DIN = 18 mm): 2
Scaricatore di sovratensione, da installare in quadri secondari di distribuzione in bassa tensione, per prevenire gli effetti derivanti da fenomeni atmosferici.
Scaricatore sovratensione T2 3+1P+TLS Arnocanali
Poli: 3(L-N) + 1(N-PE)
Telesegnalamento: Si
Moduli occupati: 4
Commutatore bipolare CHINT 1-0-2 2M 32A 230V NZK1-32/2 643001
Numero di Poli: 2P
Corrente nominale In: 32 A
Tensione nominale Vn: 230 Vac
Contatti di segnalazione: 2x(NA-C-NC)
Posizioni: 1-0-2
Numero Moduli DIN (1 DIN = 18 mm): 2
Fusibili in ceramica cilindrici FC gG 16A 400V 9X36 Wimex
Tipo fusibile: FC gG
Corrente nominale: 16A
Tensione nominale: 400 Vac
Potere di interruzione: 120kA
Dimensioni: 9X36 mm
Sezionatore modulare CHINT 2P 63A NH4-125/63-2P 398041
Numero di Poli: 2P
Corrente nominale In: 63 A
Tensione nominale Vn: 400 Vac
Frequenza nominale f: 50/60 Hz
Tensione di isolamento Ui: 500 Vac
Tensione di impulso Uimp: 4 kV
Corrente nominale di breve durata Icw: 12 x In
Potenza Dissipata: 3,6 W
Numero Moduli DIN (1 DIN = 18 mm): 2
Accessori abbinabili: Contatto ausiliario serie XF9R
Fusibili in ceramica D02 ritardato 25A fino a 400V 15X36 Wimex
Gamma: NEO D E D
Dimensioni: 15X36 mm
Caratteristica intervento: Ritardato
Scaricatore sovratensione per impianti fotovoltaici 1000V DC 40 kA 3 moduli DIN Wimex
Moduli occupati: 3
Fusibili in ceramica D01 curva rapida 2A 400V 11X36 Wimex
Tipo fusibile: Passo E14 (D01)
Corrente nominale: 2A
Caratteristica d’intervento: Curva rapida
Tensione nominale: 400 Vac
Potere di interruzione: 50kA
Dimensioni: 11X36 mm
Fusibili in ceramica cilindrici aM 20A 400V 10,3X38 Wimex
Tipo fusibile: aM
Corrente nominale: 20A
Tensione nominale: 400 Vac
Potere di interruzione: 120kA
Dimensioni: 10,3X38 mm
Fusibili in ceramica DII F rapito 16A fino a 500V 22X50 Wimex
Gamma: NEO D E D
Dimensioni: 22X50 mm
Caratteristica intervento: Rapito
Sezionatore ABB SD204/32 4P 32A 4M
Fusibili in ceramica D01 curva rapida 10A 400V 11X36 Wimex
Tipo fusibile: Passo E14 (D01)
Corrente nominale: 10A
Caratteristica d’intervento: Curva rapida
Tensione nominale: 400 Vac
Potere di interruzione: 50kA
Dimensioni: 11X36 mm
Fusibili in ceramica cilindrici aM 16A 500V 10,3X38 Wimex
Tipo fusibile: aM
Corrente nominale: 16A
Tensione nominale: 500 Vac
Potere di interruzione: 120kA
Dimensioni: 10,3X38 mm
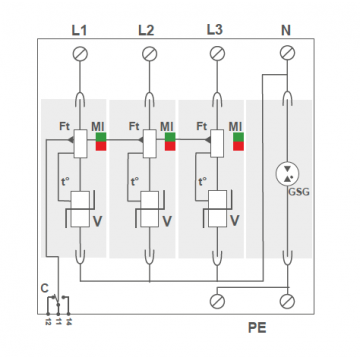
Scaricatore di sovratensione modulare Classe II 1P+N 40kA 275Vac 1M JSP220R1PN275 Chint 81306
Numero di Poli: 1P+N
Tensione nominale Vn: 275 Vac
Frequenza nominale f: 50/60 Hz
Classe di prova: T2
Imax di scarica (8/20μs): 40 kA
limp scarica N-PE (10/350μs): 20 kA
Livello di protezione Vp: 1,5 kV
Contatti di segnalazione: NA-C-NC
Numero Moduli DIN (1 DIN = 18 mm): 1
Portafusibile ABB E93HN/32 3P+N 32A
Sezionatore portafusibile ABB E93HN/32 3P+N 32A 10,3X38 M204743
Portafusibile sezionabile Chint 2P 10,3x38 32A 2M WS18/32-2P 80512
Numero di Poli: 2P
Corrente nominale In: 32 A
Formato fusibile: Cilindrico
Misure fusibile: Ø 10,3x38 mm
Potenza Dissipata: 6 W
Numero Moduli DIN (1 DIN = 18 mm): 2
Fusibili in ceramica NDZ curva rapida 16A 500V 13X50 Wimex
Tipo fusibile: Passo E16 (NDZ)
Corrente nominale: 16A
Caratteristica d’intervento: Curva rapida
Tensione nominale: 500 Vac
Potere di interruzione: 50kA
Dimensioni: 13X50 mm
Sezionatore modulare CHINT 4P 63A NH4-125/63-4P 398047
Numero di Poli: 4P
Corrente nominale In: 63 A
Tensione nominale Vn: 400 Vac
Frequenza nominale f: 50/60 Hz
Tensione di isolamento Ui: 500 Vac
Tensione di impulso Uimp: 4 kV
Corrente nominale di breve durata Icw: 12 x In
Potenza Dissipata: 7,3 W
Numero Moduli DIN (1 DIN = 18 mm): 2
Accessori abbinabili: Contatto ausiliario serie XF9R